Каталог

Датчик перепада давления DVL-1000

(0)
(0)
Добавить в сравнение В наличии
Характеристики
Степень защиты:
IP54
Материал и цвет корпуса:
крышка: поликарбонат, прозрачный основание: поликарбонат, светло-серый
Размеры (ШхВхГ):
98х98х58 мм
Диапазон настройки точки срабатывания (зона нечувствительности):
DPD-10: 100-1000 Па (40 Па+/ – 15%)
Тип переключателя:
Микропереключатель с однополюсным беспотенциальным перекидным контактом
Температура окружающей среды:
от -30°С до +85°С
Параметр: Коммутационная способность (контактная нагрузка):
5(0,8) А; 250 В переменного тока 4(0,7 ) А; 30 В постоянного тока
Все характеристики
Описание

Датчик перепада давления DVL-1000

Показать полностью Свернуть
Стоимость товара указана с НДС
Нет в наличии
Купить на
Выбрать
    Описание
    Характеристики
    Отзывы
    Описание

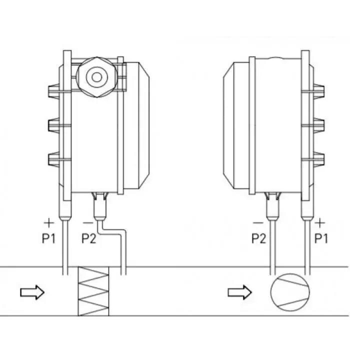
    Датчик перепада давления DVL-1000 предназначено для определения перепада давления неагрессивных газов и применяется для контроля работоспособности различных элементов вентиляционных систем, посредством измерения перепада давления на контролируемом элементе.

    При достижении установленного значения подаётся дискретный сигнал on/off на устройство управления. Органы настройки датчика перепада давления расположены снаружи.

    Механическое дифференциально реле давление DVL-1000 применяется для:

    • контроля загрязнения фильтров
    • контроля работы вентилятора
    • контроля обрыва ремня вентилятора
    • контроля открытия или закрытия воздушных клапанов и заслонок
    • определение перепадов давления воздуха и неагрессивных газов
    Характеристики
    Степень защиты
    IP54
    Материал и цвет корпуса
    крышка: поликарбонат, прозрачный основание: поликарбонат, светло-серый
    Размеры (ШхВхГ)
    98х98х58 мм
    Диапазон настройки точки срабатывания (зона нечувствительности)
    DPD-10: 100-1000 Па (40 Па+/ – 15%)
    Тип переключателя
    Микропереключатель с однополюсным беспотенциальным перекидным контактом
    Температура окружающей среды
    от -30°С до +85°С
    Параметр: Коммутационная способность (контактная нагрузка)
    5(0,8) А; 250 В переменного тока 4(0,7 ) А; 30 В постоянного тока
    Отзывы
    Отзывов еще никто не оставлял
    Ранее просмотренные товары
    Оставить заявку

    Нажимая кнопку “Подтвердить заказ” вы соглашаетесь с условиями Публичной Оферты