Описание
Характеристики
Отзывы
Описание
Общие сведения и назначение:
- предназначены для вентиляционных систем взрывоопасных производств и должны использоваться в соответствии
- с требованиями СНиП 41-01-2003. Не допускаются для применения в вентиляционных системах, перемещающих паровоздушные смеси от технологических установок, в которых взрывоопасные вещества нагреваются выше температуры их самовоспламенения или находятся под избыточным давлением
- возможна установка в системах с давлением до 150 кгс/м2 и скоростью перемещаемой воздушной среды до 20 м/с.
- заслонка состоит из корпуса с присоединительными фланцами, поворотных лопаток, установленных в узлах вращения, имеет систему тяг и рычагов, синхронизирующих движение лопаток.
- для обеспечения взрывозащиты клапана, детали, которые в процессе работы клапана соприкасаются между собой, выполнены из пары металлов – латунь-сталь.
Варианты изготовления:
- общего назначения
Условия эксплуатации:
- температура окружающей среды от -40 до +40 °С
- перемещаемая среда не должна содержать липкие и волокнистые вещества
- умеренный климат; вторая категория размещения.
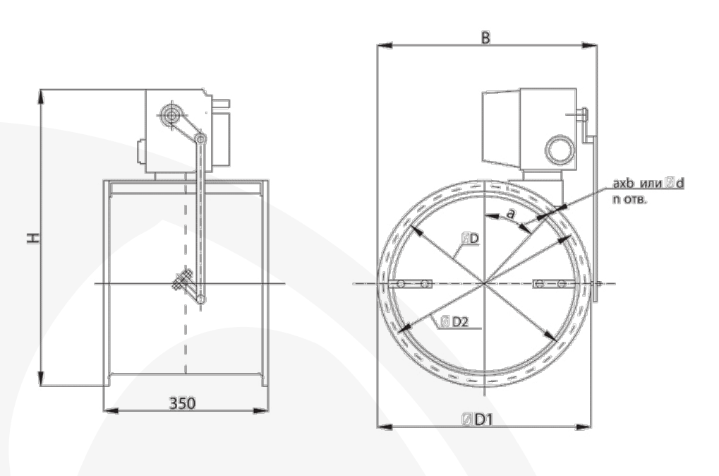
Габаритные и присоединительные размеры (чертеж):


Характеристики
Масса, кг
13.94
Диаметр воздуховода, мм
250
Отзывы
Отзывов еще никто не оставлял
Ранее просмотренные товары