Описание
Характеристики
Отзывы
Описание
Общие сведения и назначение:
- виброизоляторы ВР – взрывозащищенное исполнение
Назначение:
- предназначены для уменьшения динамических усилий, передающихся на различные конструкции от установленных на них центробежных вентиляторов и другого оборудования
Условия эксплуатации:
- Умеренный климат; первая категория размещения.
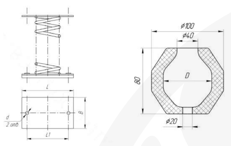
Габаритные и присоединительные размеры (чертеж):


Характеристики
Масса, кг
0.32
Динамическая жесткость при сжатии, кН/м
50
Динамическая жесткость при сдвиге, кН/м
8
Допуск, деформации сжатия, мм
5,6
Допуск, статическая нагрузка, Н
280
Отзывы
Отзывов еще никто не оставлял
Ранее просмотренные товары