Описание
Характеристики
Отзывы
Описание
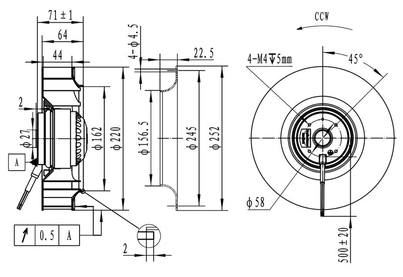
Вентиляторы ВЦН предназначены для эксплуатации в вытяжной системе вентиляции. Оборудование способно напрямую выводить отработанных воздух. Надежный стальной корпус предоставляет возможность монтажа оборудования с наружной части здания.
Вентиляторы оборудованы однофазными двигателями с защитой от перегрева и максимальным рабочим ресурсом до 40 тысяч часов.


Характеристики
Скорость вращения рабочего колеса, об./мин.
2700
Давление max, Па
450
Мощность, Вт
105
Напряжение, В
230
Сила тока, А
0.45
Присоединительный диаметр, мм
160
Производительность max, м3/ч
650
Емкость рабочего конденсатора, мкФ/uF
4
Отзывы
Отзывов еще никто не оставлял
Ранее просмотренные товары