Описание
Характеристики
Отзывы
Описание
Общие сведения:
- среднего давления;
- конструктивное исполнение 1 по ГОСТ 5976-90;
- одностороннего всасывания;
- количество лопаток - 32;
- направление вращения - правое и левое.
Назначение
- служит для обдува с целью охлаждения электродвигателя постоянного тока типа ДПБ 350 мощностью 560 ... 1000 кВт, предназначенного для привода механизма буровой установки.
Условия эксплуатации
- Вентиляторы эксплуатируются в условиях умеренного (У) климата второй и третьей категории размещения по ГОСТ 15150. При обеспечении защиты двигателя от атмосферных воздействий допускается использование вентиляторов в условиях умеренного климата первой категории размещения;
- Температура окружающей среды от -40 до +40 °С;
- Температура среды, перемещаемой вентиляторами, до 80°С;
- Допускается комплектация двигателями других серий, соответствующих по мощности, частоте вращения и напряжению. Допускается комплектация двигателями большей мощности при той же частоте вращения колеса, аэродинамические характеристики при этом не меняются.
Технические характеристики

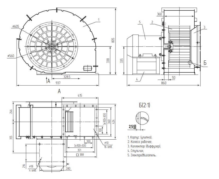
Габаритно-присоединительные размеры (чертеж)

Характеристики
Давление max, Па
2380
Мощность, кВт
11
Производительность, м3/ч
9400-11000
Типоразмер
АИР132М4
Частота вращения, об./мин
1500
Отзывы
Отзывов еще никто не оставлял
Ранее просмотренные товары