Описание
Характеристики
Отзывы
Описание
Общие сведения:
- низкого и среднего давления;
- конструктивное исполнение 5 по ГОСТ 5976-90;
- одностороннего всасывания;
- корпус спиральный неповоротный;
- назад загнутые лопатки на ВЦ4-70, объемные лопатки на ВЦ4-76;
- количество лопаток - 12;
- направление вращения - правое и левое.
Назначение
- стационарные системы вентиляции, кондиционирования, воздушного отопления;
- технологические установки различного назначения;
- для других санитарно-технических целей.
Варианты изготовления
- из углеродистой стали;
- из коррозионно-стойкой стали (К1).
Условия эксплуатации
- Вентиляторы эксплуатируются в условиях умеренного (У) климата второй и третьей категории размещения по ГОСТ 15150. При обеспечении защиты двигателя от атмосферных воздействий допускается использование вентиляторов в условиях умеренного климата первой категории размещения;
- Температура окружающей среды от -40 до +40 °С;
- Температура среды, перемещаемой вентиляторами, до 80°С;
- Допускается комплектация двигателями других серий, соответствующих по мощности, частоте вращения и напряжению. Допускается комплектация двигателями большей мощности при той же частоте вращения колеса, аэродинамические характеристики при этом не меняются.
Положения корпуса вентилятора

Акустические характеристики

Технические характеристики

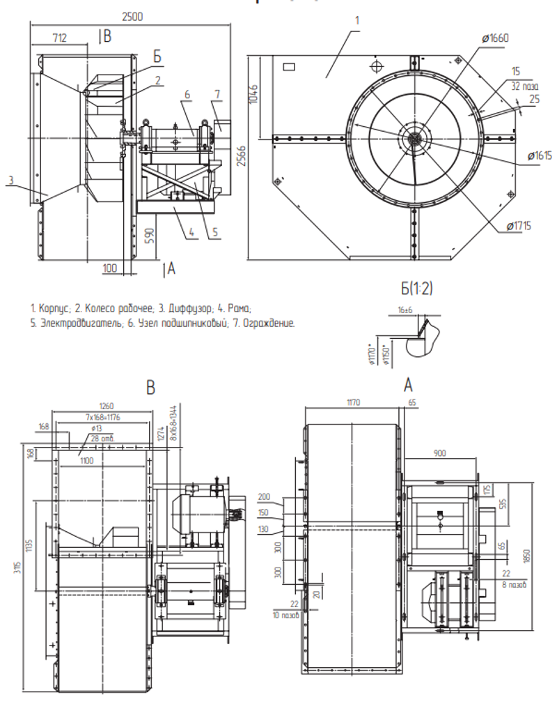
Габаритно-присоединительные размеры (чертеж)

Характеристики
Давление max, Па
1700
Мощность, кВт
55
Производительность, м3/ч
60000-120000
Типоразмер
4A280S6
Частота вращения, об./мин
650
Суммарный уровень звуковой мощности, dB
104
Отзывы
Отзывов еще никто не оставлял
Ранее просмотренные товары