Каталог
Под заказ

Вентилятор радиальный пылевой ВРП-110-49-8 30 кВт 1650 об/мин исполнение 5

(0)
(0)
Добавить в сравнение Под заказ
Характеристики
Производительность, м3/час:
12240-17280
Скорость вращения рабочего колеса, об./мин.:
1650
Мощность, кВт:
30
Максимальное давление, ПА:
3200-3000
Тип виброизолятора:
ДО-43
Количество виброизоляторов:
6
Тип двигателя:
АИР180M4
Все характеристики
Описание

Вентилятор радиальный пылевой ВРП-110-49-8 30 кВт 1650 об/мин исполнение 5

Показать полностью Свернуть
Стоимость товара указана с НДС
Нет в наличии
Выбрать
    Описание
    Характеристики
    Отзывы
    Описание

    Общие сведения:

    — среднего давления;
    — конструктивное исполнение 1 и 5 по ГОСТ 5976-90;
    — одностороннего всасывания;
    — корпус поворотный;
    — количество лопаток - 8;
    — направление вращения - правое и левое.

    Назначение:

    — в системах пылеочистительных установок;
    — на пневмотранспорте;
    — для удаления древесной пыли и стружки от металлообрабатывающих станков;
    — для удаления механической пыли и стружки от металлообрабатывающих станков;
    — транспортировка зерна и его отходов, хлопка, шерсти и т.п.;
    — для других санитарно-технических целей.

    Варианты изготовления:

    ТУ 4861-036-02962743-2006
    — из углеродистой стали;
    — из коррозионно-стойкой стали (К1).

    Условия эксплуатации:

    — Вентиляторы эксплуатируются в условиях умеренного (У) климата второй и третьей категории размещения по ГОСТ 15150. При обеспечении защиты двигателя от атмосферных воздействий допускается использование вентиляторов в условиях умеренного климата первой категории размещения;

    — Температура окружающей среды от минус 40°C до 40°C;

    — Температура среды, перемещаемой вентиляторами — 80°C;

    — Вентиляторы используются для перемещения воздуха и других газовых смесей, не вызывающих ускоренной коррозии материалов проточной части вентилятора, с содержанием пыли и твердых примесей не более 1 кг/м3 и не содержащих липких веществ и волокнистых материалов.

    — ВНИМАНИЕ: запуск вентилятора при любых испытаниях и эксплуатации необходимо производить при закрытом входном патрубке с последующим плавным его открыванием до нужной величины. Запуск вентилятора с открытым дросселирующим устройством или не подключенного к воздуховодной сети КАТЕГОРИЧЕСКИ ЗАПРЕЩАЕТСЯ во избежание перегрузок двигателя.

    Положения корпуса вентилятора:

    Акустические характеристики:

    Технические характеристики

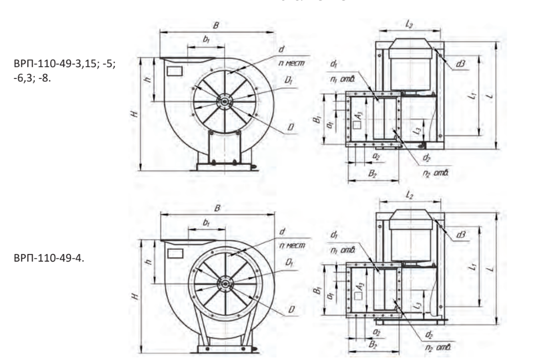
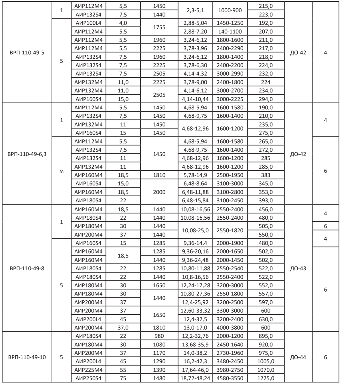
    Габаритно-присоединительные размеры (чертеж)

    Исполнение 1

    Исполнение 5

    Характеристики
    Производительность, м3/час
    12240-17280
    Скорость вращения рабочего колеса, об./мин.
    1650
    Мощность, кВт
    30
    Максимальное давление, ПА
    3200-3000
    Тип виброизолятора
    ДО-43
    Количество виброизоляторов
    6
    Тип двигателя
    АИР180M4
    Отзывы
    Отзывов еще никто не оставлял
    Ранее просмотренные товары
    Оставить заявку

    Нажимая кнопку “Подтвердить заказ” вы соглашаетесь с условиями Публичной Оферты