– Материал: Защитная решетка: сталь, фосфатирована и имеет черное полимерное покрытие
Стеновое кольцо: листовая сталь, оцинкована и имеет черное полимерное покрытие
Лопасти: листовая сталь,покрыта черным лаком
Ротор: покрыт черным лаком
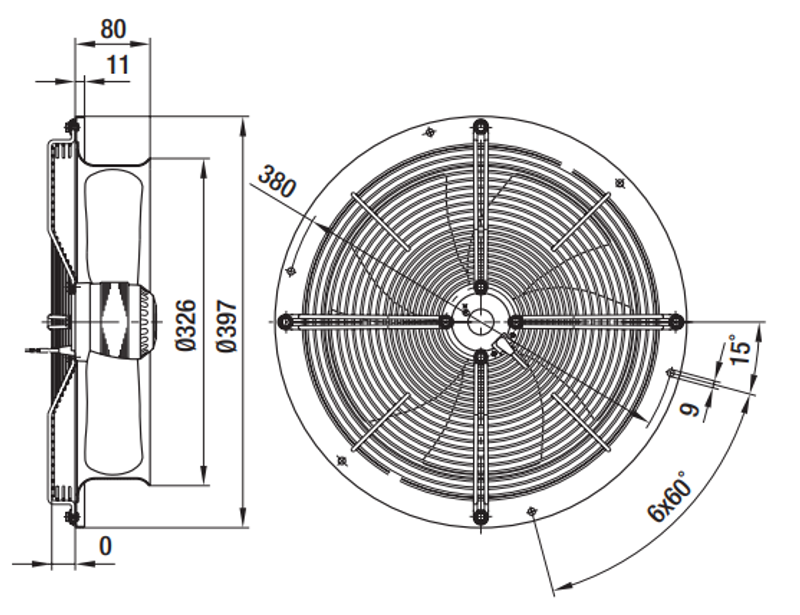
– Количество лопастей: 5
– Направление вращения: при направлении потока воздуха «V» — против часовой стрелки, при
направлении «A» — по часовой стрелке, если смотреть на ротор
– Класс защиты: IP 44
– Класс изоляции: «B»
– Монтажное положение: вал горизонтально или ротор внизу; ротор вверху по запросу
– Отверстия для отвода конденсата: со стороны ротора
– Режим работы: непрерывная эксплуатация (S1)
– Подшипник: шарикоподшипник, не требующий обслуживания
Технические параметры:
| Конструкция | Автомобильный |
| Типоразмер [мм] | 300 |
| Уровень шума [dB/A] | 69 |
| Бренд | Ebmpapst |
| Вес [кг] | 2.5 |
| Сила тока [A] | 11.7 |
| Производительность [м3/ч] | 2550 |
| Питание [В] | 13 |
| Частота вращения [об/мин] | 2650 |
| Степень защиты | IP 44 |
| Мощность [кВт] | 0.152 |
Технические характеристики W3G300-BV25-21 по каталогу:

