Описание
Отзывы
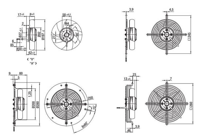
Описание
– Материал: Защитная решетка: сталь, фосфатирована и имеет черное полимерное покрытие
Стеновое кольцо: листовая сталь, оцинкована и имеет черное полимерное покрытие
Лопасти: листовая сталь,покрыта черным лаком
Ротор: покрыт черным лаком
– Количество лопастей: 9
– Направление вращения: против часовой стрелки, если смотреть на ротор
– Вид защиты: IP 44
– Класс изоляции: «B»
– Монтажное положение: вал горизонтально или ротор снизу; ротор сверху по запросу
– Отверстия для отвода конденсата: со стороны ротора
– Режим работы: непрерывная эксплуатация (S1)
– Подшипник: шарикоподшипник, не требующий обслуживания
Технические параметры:
| Тип вентилятора [AC/DC] | AC переменного тока |
| Конструкция | Осевой |
| Типоразмер [мм] | 200 |
| Уровень шума [dB/A] | 65 |
| Бренд | Ebmpapst |
| Вес [кг] | 1 |
| Сила тока [A] | 0.3 |
| Производительность [м3/ч] | 890 |
| Частота [Гц] | 50 |
| Питание [В] | 230 |
| Исполнение | Решетка |
| Частота вращения [об/мин] | 2600 |
| Мощность [кВт] | 0.064 |
Технические характеристики S2E200-AI38-01 по каталогу:

Графики подбора рабочей точки S2E200-AI38-01 по каталогу:

Отзывы
Отзывов еще никто не оставлял
Ранее просмотренные товары