Общие сведения:
— низкого давления;
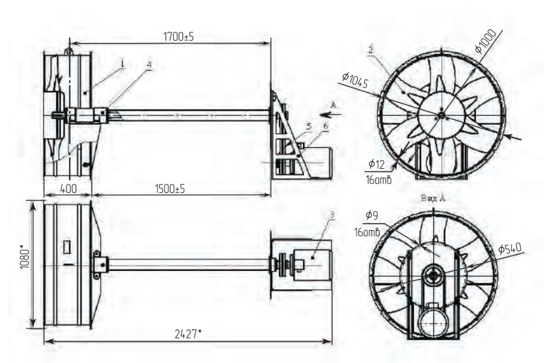
— конструктивное исполнение с выносным двигателем;
— количество лопаток – 6.
Назначение:
— для перемещения воздуха и других невзрывоопасных газовых смесей, не вызывающих ускоренной коррозии материала проточной части и колеса вентилятора (не более 0,1 мм в год), не содержащих липких веществ, волокнистых материалов, с содержанием пыли и других твердых примесей не более 10 мг/м3.
— для перемещения воздуха как в прямом, так и в обратном направлениях с одинаковой производительностью;
— может быть использован в системах кондиционирования воздуха, вентиляции и воздушного отопления производственных, общественных и жилых зданий, и для других санитарно-технических и производственных целей.
Варианты изготовления:
Общего назначения и коррозионно-стойкие (ТУ 4861-019-02962743-2007):
— из углеродистой стали; К1.
Условия эксплуатации:
— Вентиляторы предназначены для эксплуатации в макроклиматических районах с умеренным (У) и тропическими (Т) климатами второй категории размещения согласно ГОСТ 15150. При обеспечении защиты двигателя от атмосферных воздействий допускается использование вентиляторов в условиях умеренного и тропического климата первой категории размещения.
Акустические характеристики:

Технические характеристики

Габаритно-присоединительные размеры (чертеж)

.