Материал:Защитная решетка: сталь, фосфатирована и имеет черное полимерное покрытие
Стеновое кольцо: листовая сталь, оцинкована и имеет черное полимерное покрытие
Лопасти: пластмасса, черного цвета
Ротор: покрыт черным лаком
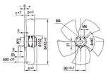
– Количество лопастей: 5
– Направление вращения: при направлении потока воздуха «V» — против часовой стрелки, при
направлении «A» — по часовой стрелке, если смотреть на ротор
– Класс защиты: IP 54 (согласно EN 60529)
– Класс изоляции: «F»
– Монтажное положение: вал горизонтально или ротор внизу; ротор вверху по запросу
– Отверстия для отвода конденсата: со стороны ротора
– Режим работы: непрерывная эксплуатация (S1)
– Подшипник :шарикоподшипник, не требующий обслуживания
Технические параметры:
| Тип вентилятора [AC/DC] | AC переменного тока |
| Конструкция | Осевой |
| Типоразмер [мм] | 420 |
| Бренд | Ebmpapst |
| Вес [кг] | 4.8 |
| Сила тока [A] | 0.94 |
| Производительность [м3/ч] | 4835 |
| Частота [Гц] | 50 |
| Питание [В] | 230 |
| Исполнение | Без крепежных элементов |
| Частота вращения [об/мин] | 1430 |
| Степень защиты | IP 44 |
| Мощность [кВт] | 0.2 |
| Давление [Pa] | 110 |
Технические характеристики A4E420-AP02-01 по каталогу:

