Описание
Характеристики
Отзывы
Описание
Вентилятор MES RG150F-2E-AC0 радиальный (улитка)
Страна производства: Россия.
Двигатель: Китай
Применение: для устройства принудительной общеобменной вентиляции в небольших помещениях или для организации местной приточной или вытяжной вентиляции, для создания воздушного подпора там, где это необходимо. Идеальны для использования в сушильных камерах и шкафах.
Конструкция: лопатки вентилятора "улитки" и его корпус изготовлены из стали.
Двигатель: радиальный вентилятор оборудован однофазным двигателем с внешним ротором.
Регулирование скорости: скорость вращения можно регулировать с помощью бесступенчатого тиристорного регулятора.
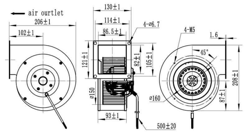
Габаритные размеры вентилятора:

Схема подключения вентилятора:

График производительности вентилятора:

Характеристики
Вес, кг
3
Давление max, Па
450
Конденсатор, pf/VDB
4
Мощность, Вт
185
Напряжение, В
220
Сила тока, А
0.85
Скорость, rpm
2300
Производительность max, м3/ч
520
Отзывы
Отзывов еще никто не оставлял
Ранее просмотренные товары