Описание
Характеристики
Отзывы
Описание
Технические характеристики

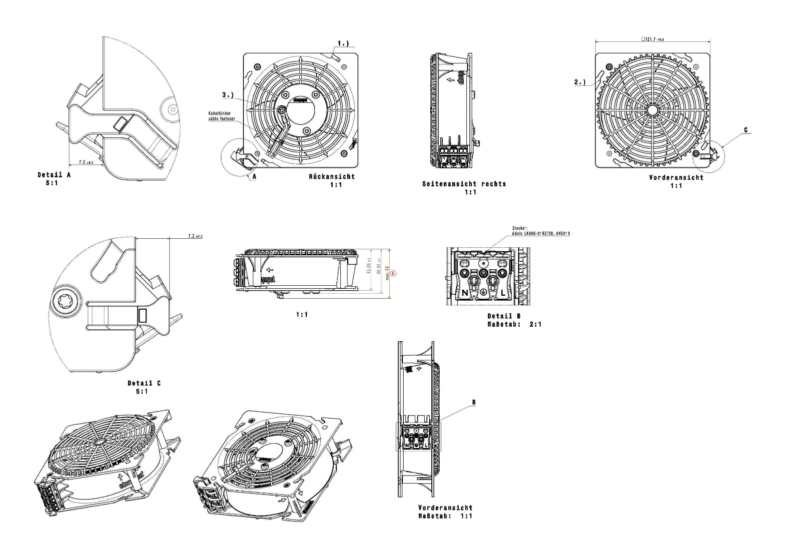
Габаритно-присоединительные размеры (чертеж)

Характеристики
Скорость вращения рабочего колеса, об./мин.
2650
Степень защиты IP
20
Мощность, Вт
17.7
Напряжение, В
220
Сила тока, А
0.11
Кол-во фаз
1
Температура окружающей среды
-10...+55°C
Типоразмер
120 мм
Частота, Гц
50
Отзывы
Отзывов еще никто не оставлял
Ранее просмотренные товары