Описание
Характеристики
Отзывы
Описание
Аэродинамические характеристики

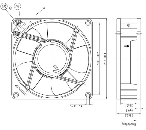
Габаритно-присоединительные размеры (чертеж)

Характеристики
Производительность, м3/час
252
Мощность, Вт
10
Напряжение, В
24
Уровень шума, dB(A)
50
Температура окружающей среды
-20...+70°C
Частота вращения, об/мин
3650
Максимальное давление, ПА
145
Частота, Гц
50
Отзывы
Отзывов еще никто не оставлял
Ранее просмотренные товары