Каталог

Устройство логического управления LUM

(0)
(0)
Добавить в сравнение В наличии
Характеристики
Степень защиты IP:
20
Температура эксплуатации:
-5…+400С
Производитель:
ELKO
Напряжение питания:
24 VAC (+15/-10%)
Частота:
50 Гц
Потребляемая мощность, ВА:
не более 3 ВА
Максимальное коммутируемое напряжение:
230 VAC
Максимальное коммутируемый ток:
4 А (для неиндуктивной нагрузки)
Размер:
51х90х65 мм
Количество дискретных входов:
9 шт
Количество релейных выходов:
2 шт
Влажность при эксплуатации:
< 85%
Температура транспортировки:
-25…+450С
Влажность при транспортировке:
< 95%
Все характеристики
Описание

Устройство логического управления LUM

Показать полностью Свернуть
Стоимость товара указана с НДС
Нет в наличии
Купить на Купить на
Выбрать
    Описание
    Характеристики
    Отзывы
    Описание

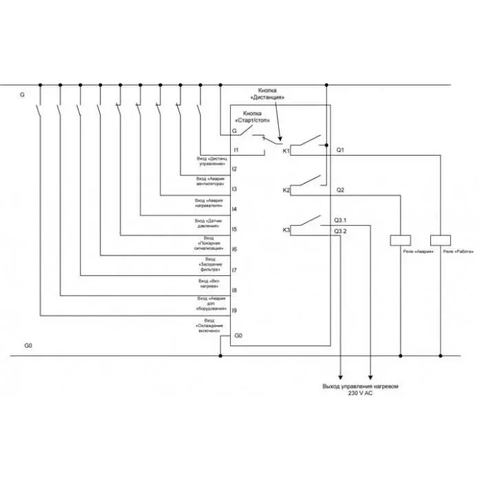
    Устройство логического управления LUM предназначен для установки и управления логикой в блоках автоматики вентиляционных установок КОРФ.

     Устройство LUM имеет:

    • дискретные входы для подключения датчиков
    • дискретные выходы для управления исполнительными механизмами
    • кнопки управления
    • светодиодный индикатор работы и аварийных ситуаций

    Устройство имеет жестко прописанную логику работа, которая не может быть изменена.

    Устройство LUM подразумевает в себе подключение по клеммам входных сигналов I1-I9.

    Модуль LUM производства ELKO оснащён кнопками СТАРТ/СТОП, дистанция.

    В модуле предусмотрен дизайн LUM, а именно светодиоды: 

    • Работа
    • Авария вентилятора
    • Нагрев включен
    • Авария нагрев
    • Засорение фильтра
    • Пожар
    • Авария дополнительного оборудования 
    • Охлаждение включено

    Что помогает ориентироваться по запущенным программам в блоке управления. Также в модуле предусмотрены клемма для питания 24V AC и переключатели режимов работы. 

    Характеристики
    Степень защиты IP
    20
    Температура эксплуатации
    -5…+400С
    Производитель
    ELKO
    Напряжение питания
    24 VAC (+15/-10%)
    Частота
    50 Гц
    Потребляемая мощность, ВА
    не более 3 ВА
    Максимальное коммутируемое напряжение
    230 VAC
    Максимальное коммутируемый ток
    4 А (для неиндуктивной нагрузки)
    Размер
    51х90х65 мм
    Количество дискретных входов
    9 шт
    Количество релейных выходов
    2 шт
    Влажность при эксплуатации
    < 85%
    Температура транспортировки
    -25…+450С
    Влажность при транспортировке
    < 95%
    Все характеристики
    Отзывы
    Отзывов еще никто не оставлял
    Ранее просмотренные товары
    Оставить заявку

    Нажимая кнопку “Подтвердить заказ” вы соглашаетесь с условиями Публичной Оферты