Описание
Характеристики
Отзывы
Описание
Аэродинамические характеристики

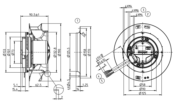
Габаритно-присоединительные размеры (чертеж)

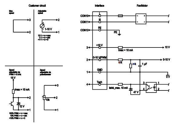
Схема подключения

Характеристики
Производительность, м3/час
850
Мощность, Вт
170
Напряжение, В
220
Сила тока, А
1.3
Кол-во фаз
1
Температура окружающей среды
-25...+60°C
Степень защиты, IP
54
Частота вращения, об/мин
4157
Максимальное давление, ПА
800
Типоразмер
190 мм
Частота, Гц
50
Отзывы
Отзывов еще никто не оставлял
Ранее просмотренные товары