Описание
Характеристики
Отзывы
Описание
Технические характеристики

Аэродинамические характеристики

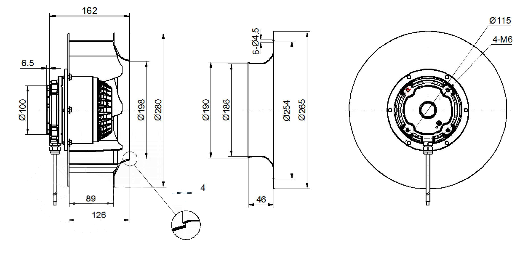
Габаритно-присоединительные размеры (чертеж)

Характеристики
Производительность, м3/час
2800
Скорость вращения рабочего колеса, об./мин.
2750
Степень защиты IP
54
Мощность, Вт
620
Напряжение, В
400
Сила тока, А
1.1
Уровень шума, dB(A)
82
Кол-во фаз
3
Температура окружающей среды
-40...+80°C
Рабочая температура
-25℃..+75℃
Типоразмер
280 мм
Отзывы
Отзывов еще никто не оставлял
Ранее просмотренные товары