Описание
Характеристики
Отзывы
Описание
Технические характеристики

Аэродинамические характеристики

Данные измерений

Габаритно-присоединительные размеры (чертеж)

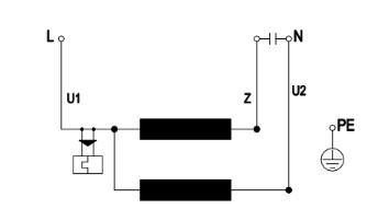
Схема подключения

Характеристики
Производительность, м3/час
655
Мощность, Вт
40
Напряжение, В
230
Сила тока, А
0.2
Кол-во фаз
1
Температура окружающей среды
-25...+50°C
Степень защиты, IP
44
Частота вращения, об/мин
1420
Максимальное давление, ПА
120
Типоразмер
225 мм
Частота, Гц
50
Емкость конденсатора, uF
1.5
Все характеристики
Отзывы
Отзывов еще никто не оставлял
Ранее просмотренные товары