Описание
Характеристики
Отзывы
Описание
Технические характеристики

Аэродинамические характеристики

Данные измерений

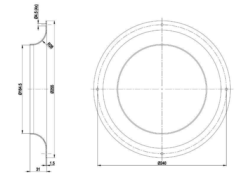
Габаритно-присоединительные размеры (чертеж)


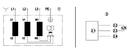
Схема подключения

Характеристики
Производительность, м3/час
900
Мощность, Вт
200
Напряжение, В
400
Сила тока, А
0.32
Кол-во фаз
3
Температура окружающей среды
-25...+80°C
Степень защиты, IP
44
Частота вращения, об/мин
2560
Максимальное давление, ПА
480
Типоразмер
250 мм
Частота, Гц
50
Отзывы
Отзывов еще никто не оставлял
Ранее просмотренные товары