Описание
Характеристики
Отзывы
Описание
AC центробежный вентилятор - RadiCal назад загнутые лопатки, одностороннее всасывание
Расшифровка наименования

Технические характеристики

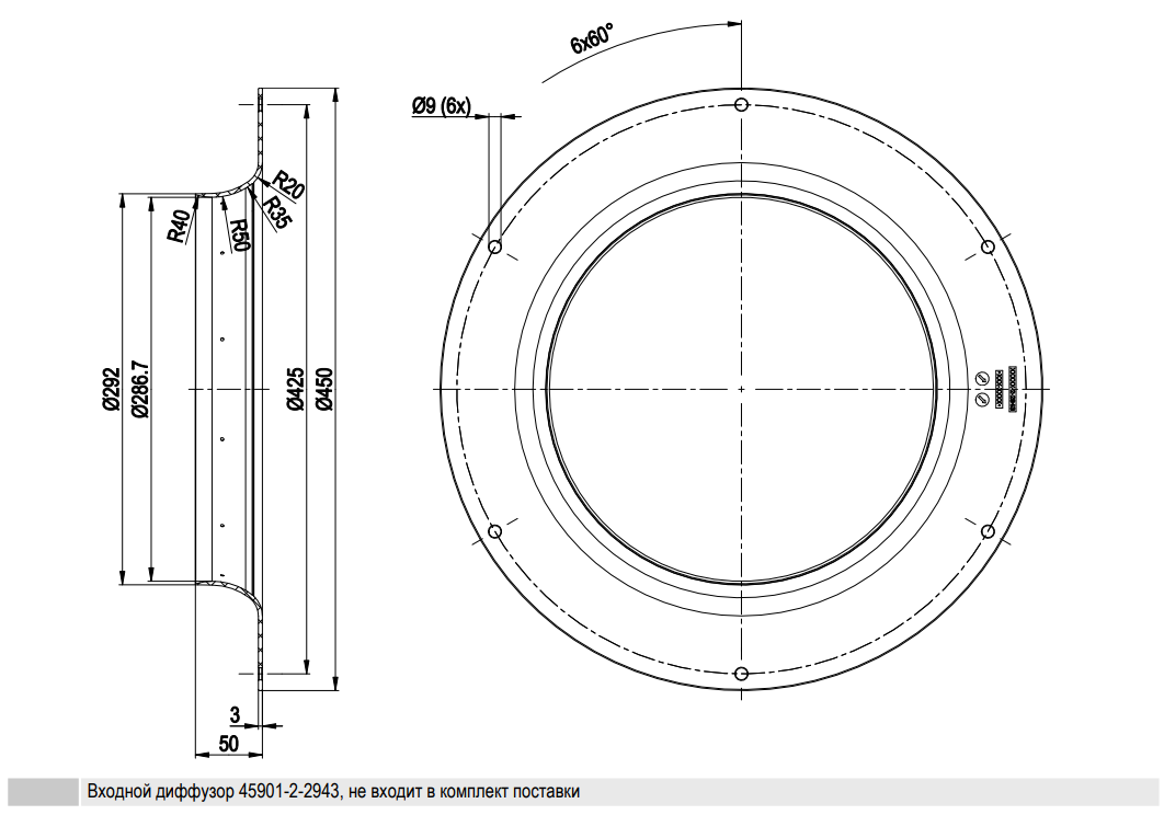
Габаритно-присоединительные размеры (чертеж)


Аэродинамические характеристики


Схема подключения

Характеристики
Мощность, Вт
710
Напряжение, В
230
Уровень шума, dB(A)
77
Кол-во фаз
3
Температура окружающей среды
-40...+60°C
Степень защиты, IP
54
Производительность, м3/ч
3385
Типоразмер
450 мм
Частота, Гц
50
Скорость вращения, об/мин
1350
Ток,А
2.51
Отзывы
Отзывов еще никто не оставлял
Ранее просмотренные товары