Описание
Характеристики
Отзывы
Описание
EC центробежный вентилятор - RadiCal назад загнутые лопатки, одностороннее всасывание
Технические характеристики

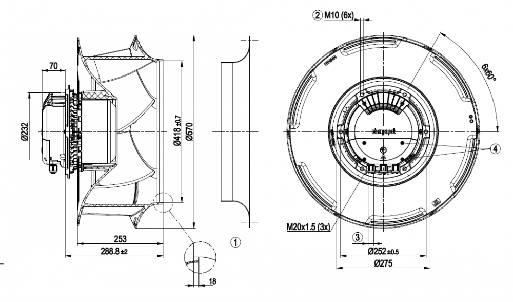
Габаритно-присоединительные размеры (чертеж)


Характеристики
Мощность, Вт
3500
Напряжение, В
400
Кол-во фаз
3
Температура окружающей среды
-40...+40°C
Степень защиты, IP
55
Производительность, м3/ч
9920
Типоразмер
560 мм
Частота, Гц
50
Скорость вращения, об/мин
1750
Ток,А
5.4
Отзывы
Отзывов еще никто не оставлял
Ранее просмотренные товары