Описание
Характеристики
Отзывы
Описание
EC центробежный вентилятор - RadiCal назад загнутые лопатки, одностороннее всасывание
Технические характеристики

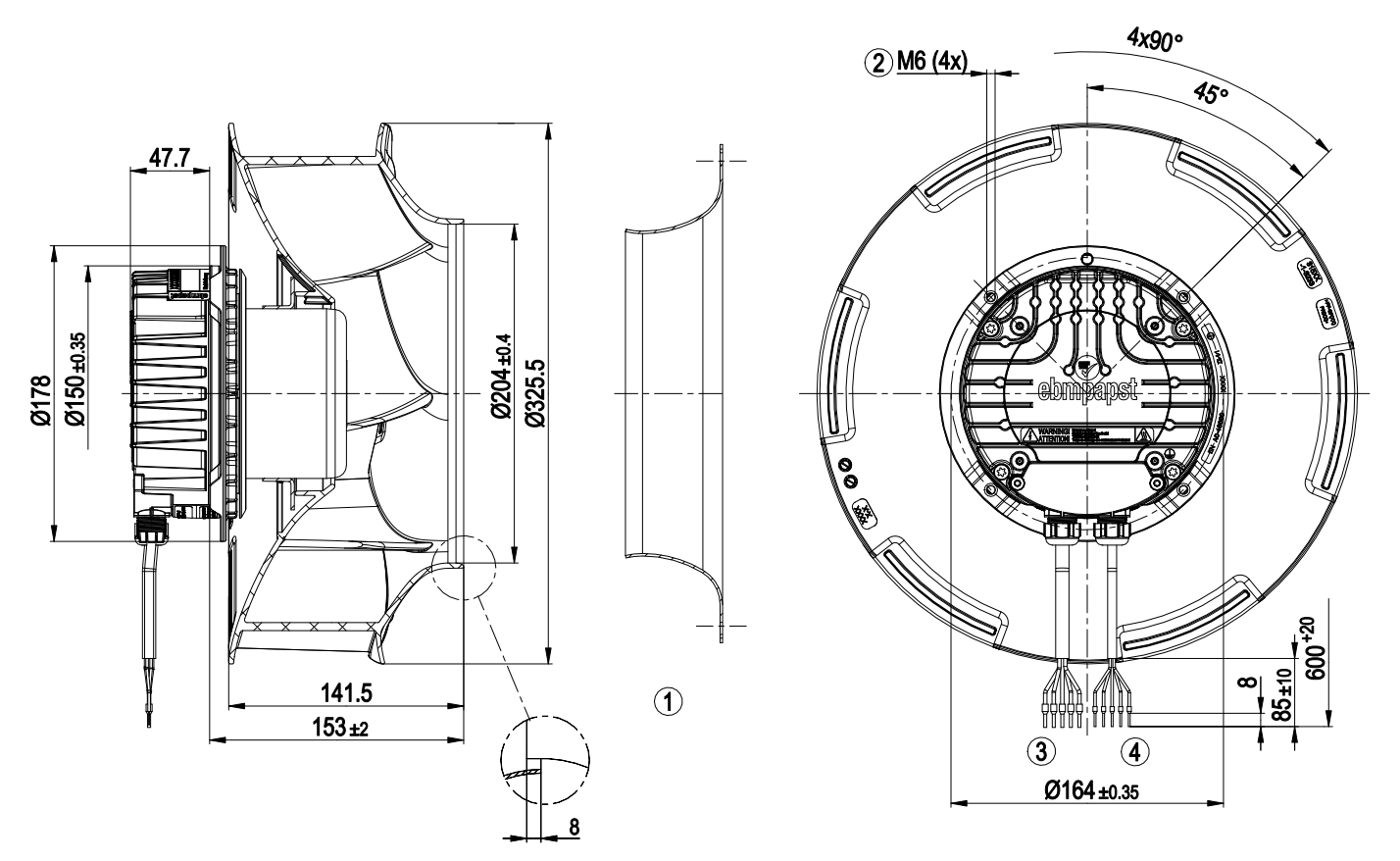
Габаритно-присоединительные размеры (чертеж)

Аэродинамические характеристики

Данные измерений:

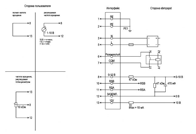
Схема подключения:


Характеристики
Мощность, Вт
500
Напряжение, В
230
Кол-во фаз
1
Степень защиты, IP
55
Производительность, м3/ч
2400
Частота, Гц
50
Температура окружающей среды С°
-25...+60
Скорость вращения, об/мин
2360
Ток,А
2.2
Типоразмер, мм
310
Отзывы
Отзывов еще никто не оставлял
Ранее просмотренные товары