Описание
Характеристики
Отзывы
Описание
EC центробежный вентилятор назад загнутые лопатки, одностороннее всасывание
Технические характеристики

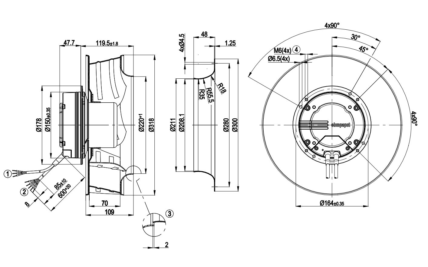
Габаритно-присоединительные размеры (чертеж)

Аэродинамические характеристики

Данные измерений:

Схема подключения:

Характеристики
Мощность, Вт
470
Напряжение, В
230
Кол-во фаз
1
Степень защиты, IP
54
Производительность, м3/ч
1605
Частота, Гц
50
Температура окружающей среды С°
-25...+45
Скорость вращения, об/мин
2435
Ток,А
3.0
Типоразмер, мм
310
Отзывы
Отзывов еще никто не оставлял
Ранее просмотренные товары