Описание
Характеристики
Отзывы
Описание
Технические характеристики

Аэродинамические характеристики

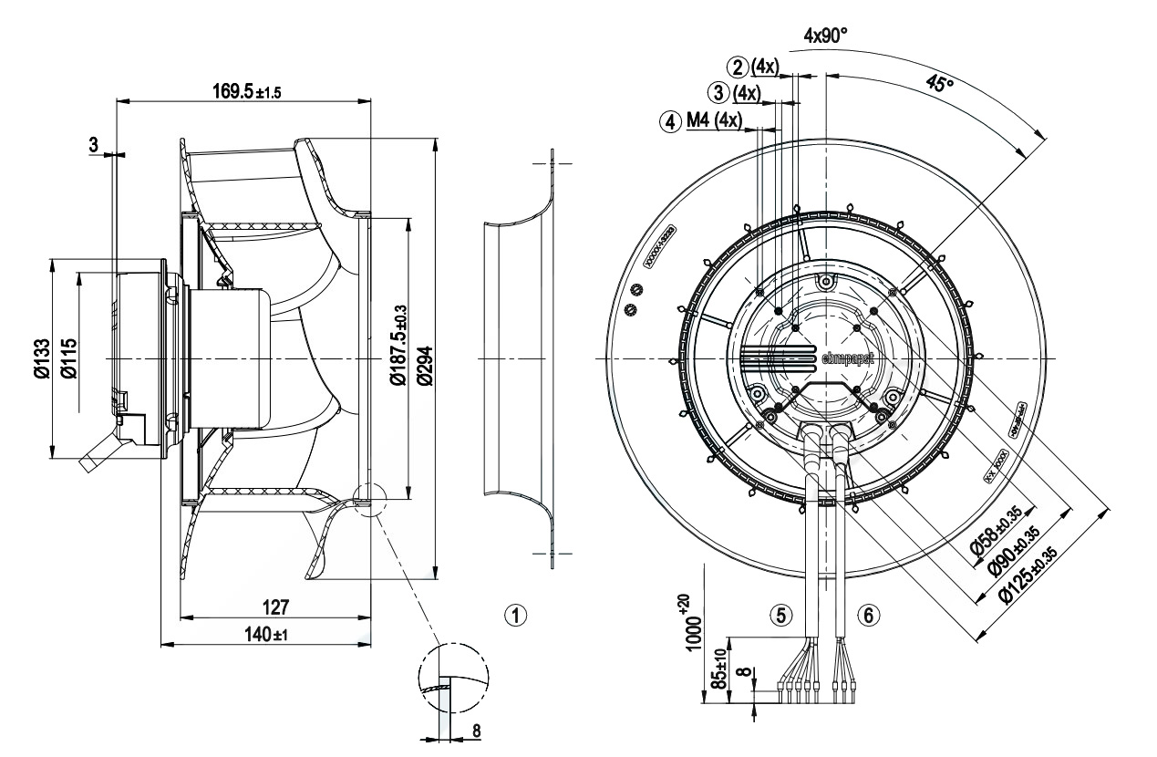
Габаритно-присоединительные размеры (чертеж)


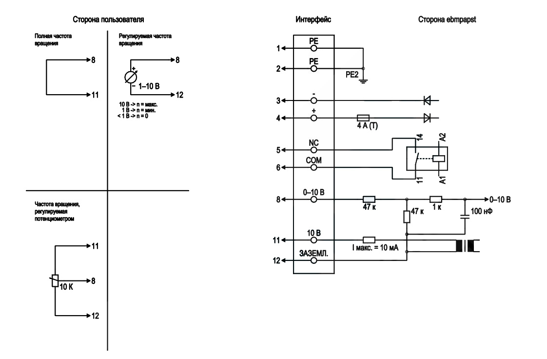
Схема подключения

Характеристики
Производительность, м3/час
810
Мощность, Вт
135
Напряжение, В
110
Сила тока, А
1.25
Уровень шума, dB(A)
56
Кол-во фаз
1
Температура окружающей среды
-40...+50°C
Степень защиты, IP
44
Частота вращения, об/мин
1670
Максимальное давление, ПА
280
Типоразмер
280 мм
Частота, Гц
50
Все характеристики
Отзывы
Отзывов еще никто не оставлял
Ранее просмотренные товары