Описание
Характеристики
Отзывы
Описание
EC центробежный вентилятор - RadiCal назад загнутые лопатки, одностороннее всасывание
Технические характеристики

Габаритно-присоединительные размеры (чертеж)

Аэродинамические характеристики

Данные измерений:

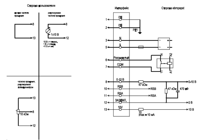
Схема подключения:


Характеристики
Мощность, Вт
660
Напряжение, В
230
Кол-во фаз
1
Степень защиты, IP
55
Производительность, м3/ч
2035
Частота, Гц
50
Температура окружающей среды С°
-25...+60
Скорость вращения, об/мин
2900
Ток,А
2.9
Типоразмер, мм
280
Отзывы
Отзывов еще никто не оставлял
Ранее просмотренные товары