Описание
Характеристики
Отзывы
Описание
Габаритно-присоединительные размеры (чертеж)

Аэродинамические характеристики

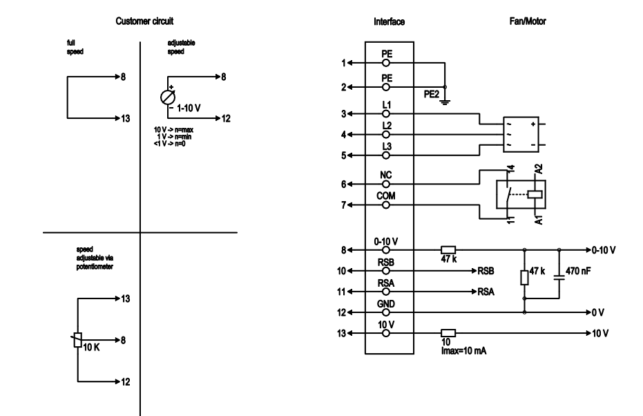
Схема подключения

Характеристики
Степень защиты IP
55
Мощность, Вт
1160
Напряжение, В
400
Кол-во фаз
3
Ток, А
1.8
Температура окружающей среды
-25...+60°C
Типоразмер
250 мм
Частота, Гц
50
Скорость вращения, об/мин
4000
Отзывы
Отзывов еще никто не оставлял
Ранее просмотренные товары