Каталог
Под заказ

Тормозной модуль ZC-BU-090

(0)
(0)
Добавить в сравнение Под заказ
Характеристики
Степень защиты IP:
20
Масса, кг:
2.3
Температура окружающей среды:
-10˚C .. +40˚C (без образования конденсата)
Влажность:
90% RH (среда без капель)
Номинальный ток, А:
50
Максимальный ток, А:
150
Напряжение коммутации резисторов. В:
630..760В ±16В
Напряжение звена постоянного тока, В:
460-800 В (DC)
Все характеристики
Описание

Тормозной модуль ZC-BU-090

Показать полностью Свернуть
Стоимость товара указана с НДС
Нет в наличии
Выбрать
    Описание
    Характеристики
    Отзывы
    Описание

    Общие сведения:

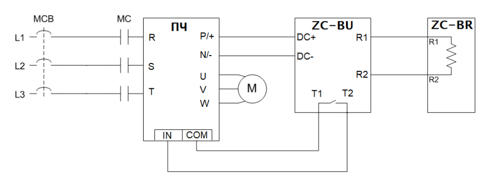
    Функция тормозного модуля ZC-BU состоит в том, чтобы перенаправить в тормозной резистор энергию, возникающую в процессе замедления двигателя, превращая эту энергию в тепло. Энергия исходящая от двигателя работающего в генераторном режиме поступает в преобразователь частоты, из-за чего напряжение в звене постоянного тока увеличивается. При достижении уровня напряжения в звене постоянного тока порогового значения в преобразователе срабатывает защита по перенапряжению. При этом преобразователь останавливается, выходные клеммы обесточиваются. При использовании тормозных резисторов, подключенных к преобразователю через тормозные модули (встроенные или внешние) уровень перенапряжения в звене постоянного тока преобразователя снижается, тем самым улучшается эффективность торможения, и время торможения нагрузки может быть коротким.

    Тормозные модули, предназначенные для работы с преобразователями 55 – 90 кВт, состоят из двух корпусов/блоков: 

    • «Host» – основной блок
    • «donkey engine» - вспомогательный блок 

    Обозначение модели:

    Технические характеристики:

    Тормозные резисторы

    Габаритные и присоединительные размеры (чертеж):

    Индикация:

    • «POWER» красный светодиод – подключено напряжение от преобразователя
    • «RUN» зеленый светодиод – тормозные резисторы подключены к преобразователю 
      через тормозной модуль.

    Требования к установке и монтажу:

    • Если тормозной модуль установлен в шкаф, шкаф должен обладать достаточной вентиляцией.
    • Окружающая температура должна быть в диапазоне от -10˚C до +40˚C, без образования конденсата
    • Влажность < 90% RH, без образования конденсата.
    • Не устанавливайте тормозной модуль на деревянную панель или на любую 
      легковоспламеняющуюся поверхность.
    • Не устанавливайте модуль, там где он будет подвергаться воздействию прямых солнечных лучей.
    • Не устанавливайте вблизи легковоспламеняющихся, взрывоопасных газов или жидкостей
    • Тормозной модуль должен быть защищен от пыли и сильных электромагнитных полей.
    • Чтобы увеличить срок службы тормозного модуля, установите его в хорошо проветриваемом помещении.
    • Смонтированный тормозной блок не должен соприкасаться с корпусом стороннего оборудования или со стенками шкаф.
    • Воздушные зазоры между корпусом тормозного модуля и соседними стенками 
      должны соответствовать значениям, указанным ниже:

    Модули ZC-BU-055 ~ ZC-BU-090 состоят из двух блоков. Один из блоков основной (HOST), второй вспомогательный (donkey engine). Выбор режима работы блока осуществляется переключением перемычки MASTER / SLAVE. MASTER – основной, SLAVE – вспомогательный.

    Соединены два блока двухпроводным кабелем (витая пара)

    Схема соединений тормозных модулей в одном корпусе:

     

    Схема соединения тормозных модулей в двойных корпусах:

    Характеристики
    Степень защиты IP
    20
    Масса, кг
    2.3
    Температура окружающей среды
    -10˚C .. +40˚C (без образования конденсата)
    Влажность
    90% RH (среда без капель)
    Номинальный ток, А
    50
    Максимальный ток, А
    150
    Напряжение коммутации резисторов. В
    630..760В ±16В
    Напряжение звена постоянного тока, В
    460-800 В (DC)
    Отзывы
    Отзывов еще никто не оставлял
    Ранее просмотренные товары
    Оставить заявку

    Нажимая кнопку “Подтвердить заказ” вы соглашаетесь с условиями Публичной Оферты