Каталог
Под заказ

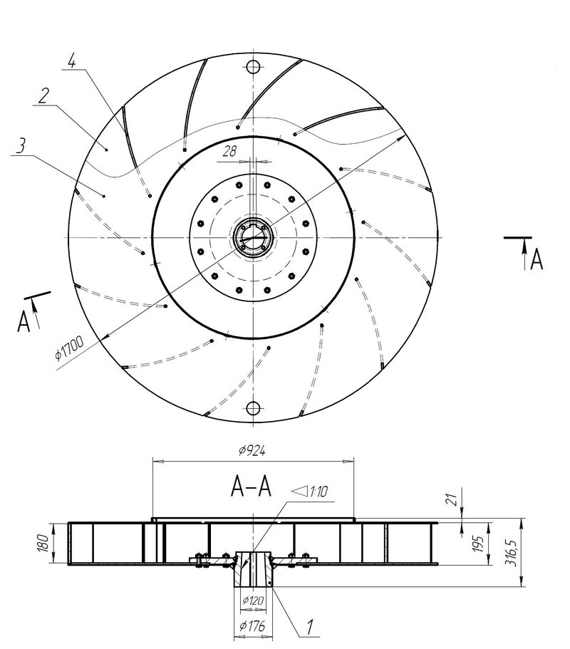
Рабочее колесо дымососа ДН-17

(0)
(0)
Добавить в сравнение В наличии
Характеристики
Мощность электродвигателя, кВт:
55.0-400.0
Диаметр, мм:
1700
Производительность, м3/ч:
55500-110500
Количество лопаток:
16
Полное давление, Па:
2158-8238
Описание

Рабочее колесо дымососа ДН-17

Показать полностью Свернуть
Стоимость товара указана с НДС
Нет в наличии
Выбрать
    Описание
    Характеристики
    Отзывы
    Описание

    Общие сведения:

    • одностороннего всасывания;
    • корпус спиральный поворотный;
    • назад загнутые лопатки;
    • количество лопаток - 16;
    • направление вращения - правое и левое.

    Назначение:

    • Рабочее колесо дымососа предназначено для отсасывания дымовых газов от технологического оборудования при сжигании различных видов топлива.

    Варианты изготовления:

    • из углеродистой стали;
    • из коррозионно-стойкой стали (НЖ).

    Условия эксплуатации:

    • Рабочие колеса дымососов эксплуатируются в условиях умеренного (У) климата второй и третьей категории размещения по ГОСТ 15150. При обеспечении защиты двигателя от атмосферных воздействий допускается использование дымососов в условиях умеренного климата первой категории размещения.
    • Рабочее колесо дымососа предназначено для эксплуатации при температуре окружающего воздуха от минус 40°C до 40°C (45°C для вентиляторов тропического исполнения), относительной влажности 80%, высотой над уровнем моря не более 1000 м.
    • Допускается комплектация двигателями других серий, соответствующих по мощности, частоте вращения и напряжению. Допускается комплектация двигателями большей мощности при той же частоте вращения
      колеса, аэродинамические характеристики при этом не меняются.
    • Эксплуатация рабочего колеса дымососа допускается при температуре перемещаемых газов не выше 250°C  с запыленностью не более 0,2 г/м³. Газовоздушные смеси не должны содержать взрывчатых веществ, липких и волокнистых материалов и вызывать ускоренной коррозии материалов проточной части вентилятора.
    Характеристики
    Мощность электродвигателя, кВт
    55.0-400.0
    Диаметр, мм
    1700
    Производительность, м3/ч
    55500-110500
    Количество лопаток
    16
    Полное давление, Па
    2158-8238
    Отзывы
    Отзывов еще никто не оставлял
    Ранее просмотренные товары
    Оставить заявку

    Нажимая кнопку “Подтвердить заказ” вы соглашаетесь с условиями Публичной Оферты