Описание
Характеристики
Отзывы
Описание
Вентилятор Weiguang YWF-4D-500-S-145/65-G осевой
Осевые вентиляторы серии YFW оборудованы внешним мотором. Эти двигатели имеют обладают следующими характеристиками: компактной структурой, удобной установкой, экономят энергию и обладают высокой эффективностью.
Особенности вентилятора YWF-4D-500-S:
- В серии осевых вентиляторов YWF используются два типа моторов: однофазные асинхронные конденсаторные и трехфазные асинхронные. Эти моторы широко используются в сушилках, испарителях и другом оборудовании в холодильных и вентиляционных областях.
- Классы изоляции В или F.
- Напряжение: Напряжение однофазных моделей 220В/50Гц, напряжение трехфазных 380В/50Гц.
- Стандартная длина электрического провода на вентилятор 1,5 м.
- Работают при температуре окружающей среды от -30С до 60С.
- Средний срок службы превышает 30000 часов.
- Все вентиляторы получили утверждение CE в Европе и CCC сертификат безопасности в Китае.
- Перед запуском вентилятора не забудьте про заземление.
Технические характеристики

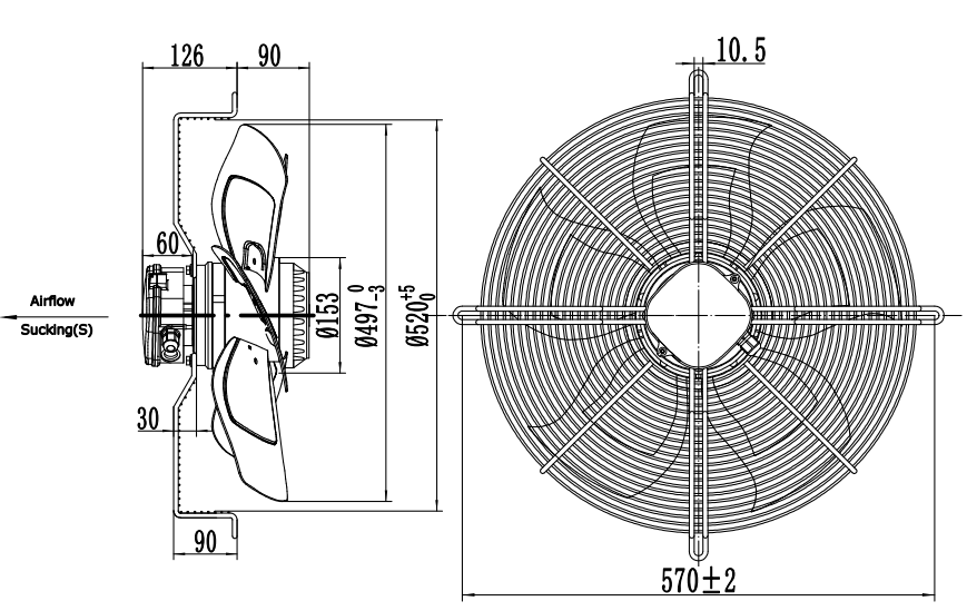
Габаритно-присоединительные размеры (чертеж)

Аэродинамические характеристики

Характеристики
Скорость вращения рабочего колеса, об./мин.
1320
Степень защиты IP
54
Мощность, Вт
800
Напряжение, В
380
Сила тока, А
1.5
Кол-во фаз
3
Рабочая температура
-30...+60°C
Уровень шума, дБ
72
Типоразмер
500мм
Давление, Pa
160
Отзывы
Отзывов еще никто не оставлял
Ранее просмотренные товары