Описание
Характеристики
Отзывы
Описание
Технические характеристики

Кодообразование

Аэродинамические характеристики

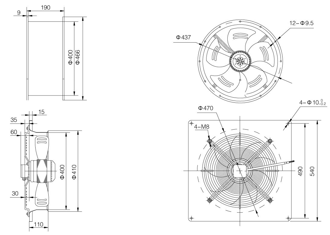
Габаритно-присоединительные размеры (чертеж)

Характеристики
Производительность, м3/час
3541
Скорость вращения рабочего колеса, об./мин.
1380
Мощность, Вт
180
Напряжение, В
220
Сила тока, А
0.82
Уровень шума, dB(A)
68
Кол-во фаз
1
Температура окружающей среды
-30...+60°C
Максимальное давление, ПА
108
Типоразмер
400 мм
Частота, Гц
50
Отзывы
Отзывов еще никто не оставлял
Ранее просмотренные товары