Описание
Характеристики
Отзывы
Описание
Технические характеристики

Аэродинамические характеристики

ρ = 1,15 kg/m³ ± 2 %
Измерение: LU-26627-1
Замеры производительности соответствуют ISO 5801 категория А. Для детального уточнения способа замеров, Вам необходимо обратиться к специалистам ebm-papst. Уровень звукового давления со стороны всасывания: LwA по ISO 13347 / LpA с расстоянием 1м от оси вентилятора. Данные действительны только при указанных условиях измерения и могут варьироваться в зависимости от условий установки. При отклонении от стандартной конфигурации, необходимо проверить все значения в собранной установке.
Данные измерений

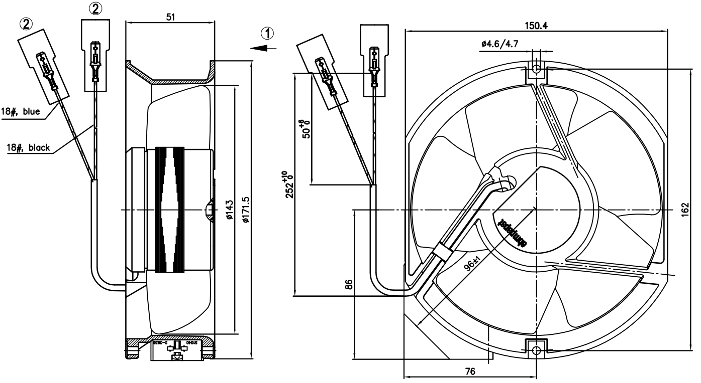
Габаритно-присоединительные размеры (чертеж)

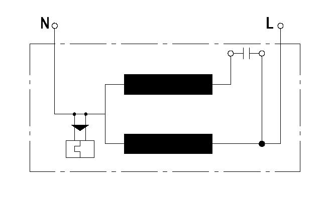
Схема подключения

Характеристики
Производительность, м3/час
370
Мощность, Вт
24
Напряжение, В
230
Сила тока, А
0.12
Кол-во фаз
1
Температура окружающей среды
-25...+70°C
Степень защиты, IP
20
Частота вращения, об/мин
2800
Максимальное давление, ПА
70
Типоразмер
143 мм
Частота, Гц
50
Количество лопаток
5
Монтажное положение
Any KLM
Класс защиты от влаги (F) / класс защиты окружающей среды
H0+
Все характеристики
Отзывы
Отзывов еще никто не оставлял
Ранее просмотренные товары