Описание
Характеристики
Отзывы
Описание
Аэродинамические характеристики

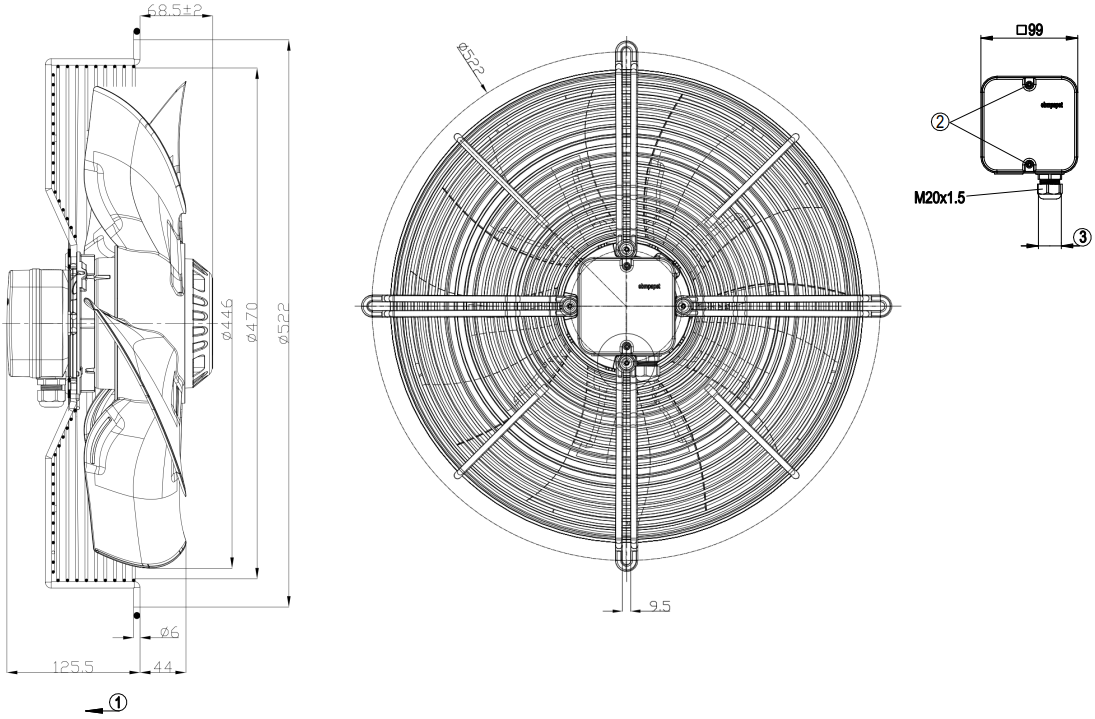
Габаритно-присоединительные размеры (чертеж)

Характеристики
Мощность, Вт
460
Напряжение, В
380
Сила тока, А
0.95
Кол-во фаз
3
Температура окружающей среды
-40...+65°C
Степень защиты, IP
54
Частота вращения, об/мин
1330
Типоразмер
450 мм
Частота, Гц
50
Количество лопаток
5
Отзывы
Отзывов еще никто не оставлял
Ранее просмотренные товары