Описание
Характеристики
Отзывы
Описание
Технические характеристики

Аэродинамические характеристики

Данные измерений

Габаритно-присоединительные размеры (чертеж)

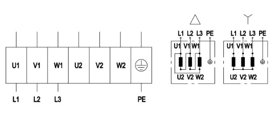
Схема подключения

Характеристики
Производительность, м3/час
4010
Мощность, Вт
135
Напряжение, В
400
Сила тока, А
0.44
Кол-во фаз
3
Температура окружающей среды
-40...+40°C
Степень защиты, IP
44
Частота вращения, об/мин
1450
Максимальное давление, ПА
105
Типоразмер
400 мм
Частота, Гц
50
Количество лопаток
5
Все характеристики
Отзывы
Отзывов еще никто не оставлял
Ранее просмотренные товары