Описание
Характеристики
Отзывы
Описание
Технические характеристики

Аэродинамические характеристики

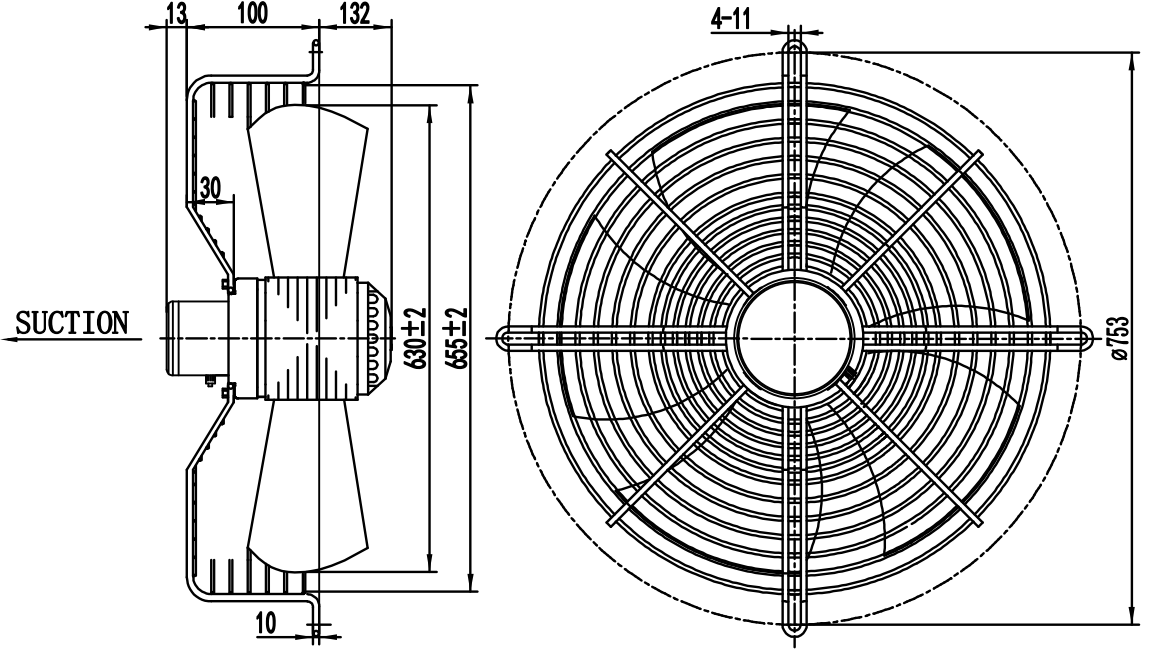
Габаритно-присоединительные размеры (чертеж)

Характеристики
Производительность, м3/час
16800
Скорость вращения рабочего колеса, об./мин.
1401
Степень защиты IP
54
Мощность, Вт
2266
Напряжение, В
380
Сила тока, А
4.42
Уровень шума, dB(A)
80
Кол-во фаз
3
Температура окружающей среды
-40...+55°C
Максимальное давление, ПА
227
Типоразмер
630 мм
Частота, Гц
50
Все характеристики
Отзывы
Отзывов еще никто не оставлял
Ранее просмотренные товары