Описание
Характеристики
Отзывы
Описание
Аэродинамические характеристики

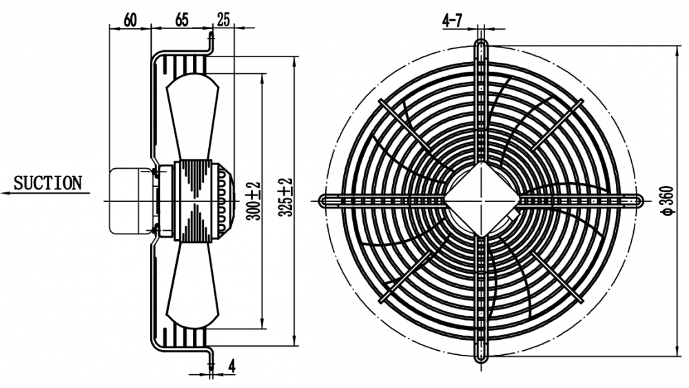
Габаритно-присоединительные размеры (чертеж)

Характеристики
Производительность, м3/час
1770
Скорость вращения рабочего колеса, об./мин.
1354
Степень защиты IP
44
Мощность, Вт
89
Напряжение, В
220
Сила тока, А
0.41
Кол-во фаз
1
Температура окружающей среды
-40...+75°C
Максимальное давление, ПА
77.5
Типоразмер
300 мм
Частота, Гц
50
Отзывы
Отзывов еще никто не оставлял
Ранее просмотренные товары