Описание
Характеристики
Отзывы
Описание
Технические характеристики

Аэродинамические характеристики

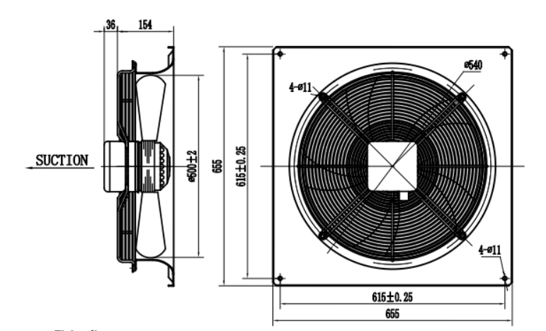
Габаритно-присоединительные размеры (чертеж)

Характеристики
Производительность, м3/час
7903
Скорость вращения рабочего колеса, об./мин.
1372
Степень защиты IP
54
Мощность, Вт
643
Напряжение, В
220
Сила тока, А
3.0
Уровень шума, dB(A)
73
Кол-во фаз
1
Температура окружающей среды
-40...+70°C
Максимальное давление, ПА
205
Типоразмер
500 мм
Частота, Гц
50
Все характеристики
Отзывы
Отзывов еще никто не оставлял
Ранее просмотренные товары