Описание
Характеристики
Отзывы
Описание
- Корпус, крыльчатка, решетка и диффузорная плата изготовлены из металла с порошковым покрытием.
- Вентилятор имеет встроенную термозащиту 135°C.
- Cтепень защиты IP 55.
- Полностью готовы к подключению с возможностью регулирования скорости (дополнительная опция).
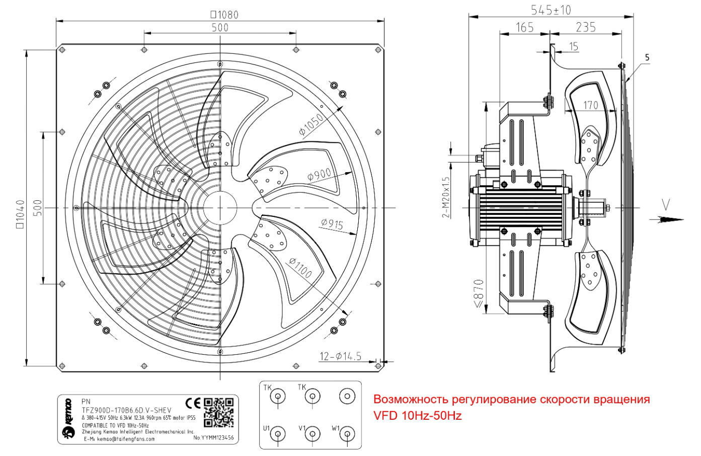
- Возможность регулирования скорости вращения
- VFD 10Hz-50Hz
Технические характеристики

Аэродинамические характеристики

Габаритно-присоединительные размеры (чертеж)

Характеристики
Производительность, м3/час
40291
Скорость вращения рабочего колеса, об./мин.
960
Степень защиты IP
55
Мощность, Вт
6300
Напряжение, В
380
Сила тока, А
12.3
Уровень шума, dB(A)
82
Кол-во фаз
3
Температура окружающей среды
-40...+65°C
Типоразмер
900 мм
Частота, Гц
50
Отзывы
Отзывов еще никто не оставлял
Ранее просмотренные товары