Применение:
Радиальные вентиляторы для круглых каналов предназначены для перемещения воздуха и других невзрывоопасных газовых смесей в системах вентиляции и кондиционирования воздуха.
Конструкция и материалы:
Корпус вентилятора изготовлен из прочного легкого высококачественного пластика, не подверженного коррозии и имеющего эстетичный внешний вид. Рабочие колеса с назад загнутыми лопатками выполнены из оцинкованного стального листа. В качестве привода вентилятора используются компактные асинхронные одно фазные электродвигатели с внешним ротором, не требующие дополнительного обслуживания. Статически и динамически сбалансированные рабочие колёса и применяемые электродвигатели позволяют достичь более 40 000 часов рабочего ресурса. Класс изоляции корпуса IP 44. Конструктивно двигатель расположен в потоке перемещаемого воздуха, что способствует эффективному отводу тепла.
Рабочий диапазон температур перемещаемого воздуха от -40°C до +50°C (для вентилятора KVR 315/1 до +40°C).
Защита электродвигателя:
Электродвигатели стандартно оснащены термоконтактами с автоматическим перезапуском, расположенными внутри обмотки, что позволяет обеспечить наиболее надёжную и точную защиту при перегреве, в случае перегрузки, высокой температуры воздуха и т. п. Не требуется подключение внешнего устройства защиты.
Регулирование производительности:
Производительность вентиляторов KVR регулируется изменением числа оборотов электродвигателя. Для плавного изменения производительности вентиляторов KVR рекомендуется применять электронные регуляторы оборотов SI-RS11. Также возможно использование трансформаторных пятиступенчатых регуляторов оборотов.
Монтаж:
Вентиляторы устанавливаются в любом положении непосредственно в сеть воздуховодов. Для предотвращения передачи вибраций от вентиля тора к воздуховоду рекомендуется монтировать быстросъёмные хомуты до и после вентилятора.
Технические характеристики:

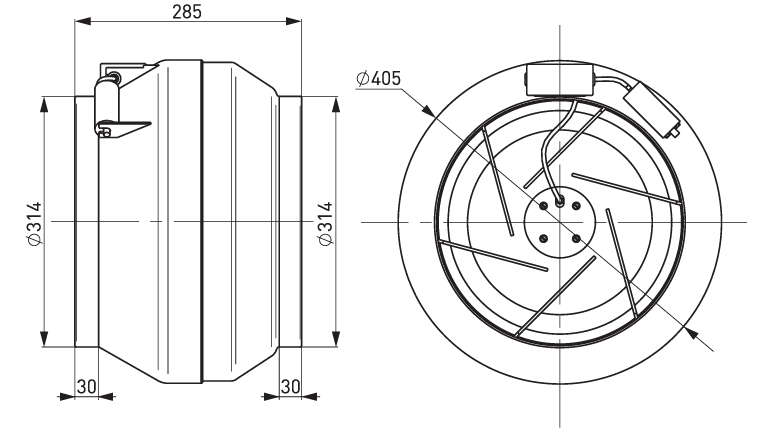
Габаритно-присоединительные размеры (чертеж):

Аэродинамические характеристики:
