Каталог
Под заказ

Электропривод UCP UE-230-15T реверсивный для противопожарных клапанов

(0)
(0)
Добавить в сравнение Под заказ
Характеристики
Частота тока, Гц:
50/60
Степень защиты IP:
54
Мощность, Вт:
5.2
Напряжение, В:
230
Рабочая температура:
-20…+50°С
Температура хранения:
-30°...+70°C
Крутящий момент, Нм:
15
Макс. уровень шума, Дб:
45
Все характеристики
Описание

Электропривод UCP UE-230-15T реверсивный для противопожарных клапанов

Показать полностью Свернуть
Стоимость товара указана с НДС
Нет в наличии
Выбрать
    Описание
    Характеристики
    Отзывы
    Описание

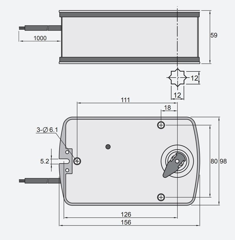
    Назначение: Реверсивный электропривод специально разработан для
    управления положением заслонки в противопожарном клапане и клапане дымоудаления.

    • Для противопожарных клапанов
    • С возвратной пружиной
    • Момент вращения: 15 Нм
    • Размер заслонки: до 3 м²
    • Размеры вала: 8-10 мм
    • Время срабатывания: 50...70 сек/<20 с
    • Управление: 2-х/3-х позиционное
    • Регулируемый угол поворота
    • Выбор направления вращения привода
    • Привод с кабелем 1 м
    • 2 вспомогательных переключателя SPDT
    • Напряжение питания: AC 230 V ± 10%
    • Мощность во время работы: 5.2 Вт
    • Мощность в конечном положении: 3.5 Вт
    • Расчетная мощность: 10 ВА
    • Нагрузка вспомогательных выключателей: 3(1.5) AC 250 В
    • Класс защиты: II (все изолировано)
    • Угол вращения: 90° (95° механически)
    • Вес: 1.9 кг

    Преимущества

    • Ступица привода из стали;
    • Корпус привода выполнен из оцинкованной стали;
    • Ручное управление;
    • Специальное крепление кабеля на корпусе;
    • Мотор RK-370CA собирается по лицензии совместно с японской компанией MABUCHI MOTOR – известным японским производителем;
    • Стальная пружина;
    • Высокое качество компонентов редуктора;
    • Стальные полевые втулки
    Характеристики
    Частота тока, Гц
    50/60
    Степень защиты IP
    54
    Мощность, Вт
    5.2
    Напряжение, В
    230
    Рабочая температура
    -20…+50°С
    Температура хранения
    -30°...+70°C
    Крутящий момент, Нм
    15
    Макс. уровень шума, Дб
    45
    Отзывы
    Отзывов еще никто не оставлял
    Ранее просмотренные товары
    Оставить заявку

    Нажимая кнопку “Подтвердить заказ” вы соглашаетесь с условиями Публичной Оферты