Каталог
Под заказ

Электропривод BLE 24-10-T с термодатчиком

(0)
(0)
Добавить в сравнение В наличии
Характеристики
Температура эксплуатации:
-30°…+50°С
Стоимость товара указана с НДС
Нет в наличии
Выбрать
    Описание
    Характеристики
    Отзывы
    Описание

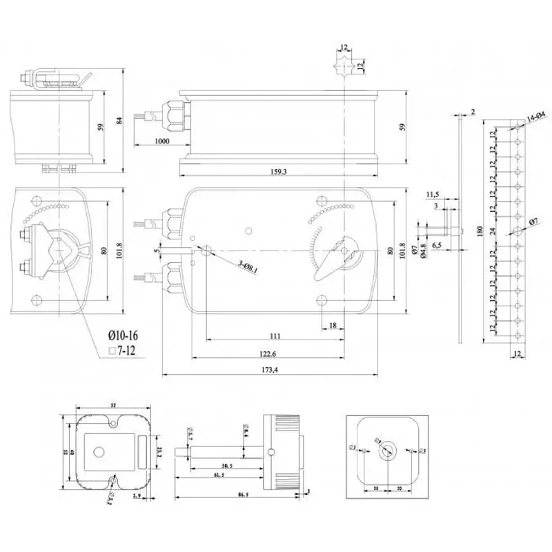
    Электропривод BLE24-10-T на 24В и крутящим моментом двигателя в 10Нм предназначены для управления противопожарными нормально-закрытыми (НЗ) и дымовыми клапанами систем вентиляции, которые установлены в системах вентиляции для удаления дыма из помещения.

    Привод BLE24-10-T не имеет пружинный возврат, управление заслонкой осуществляется с помощью электродвигателя. Максимальный размер заслонки клапана до 1.5м² (площадь заслонки указана ориентировочно, для правильного выбора электропривода используйте информацию от производителя клапана, включая размеры заслонки, исполнение заслонки, наличие уплотнителей, информацию по расходу воздуха и прочие важные условия).

    Особенности BLE24-10-T :

    • Крутящий момент - 10 Нм
    • Номинальное напряжение - 24 В
    • Управление: 2-х позиционное (открыто/закрыто)
    • Винтовое клеммное соединение
    • Возможность выбрать угол поворота
    • 2 SPDT (два вспомогательных переключателя)
    • Наличие термодатчика
    Характеристики
    Температура эксплуатации
    -30°…+50°С
    Отзывы
    Отзывов еще никто не оставлял
    Ранее просмотренные товары
    Оставить заявку

    Нажимая кнопку “Подтвердить заказ” вы соглашаетесь с условиями Публичной Оферты