Описание
Характеристики
Отзывы
Описание
Технические характеристики

Аэродинамические характеристики

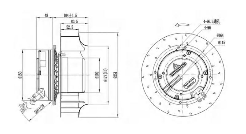
Габаритно-присоединительные размеры (чертеж)

Характеристики
Производительность, м3/час
2124
Скорость вращения рабочего колеса, об./мин.
3580
Степень защиты IP
44
Мощность, Вт
485
Напряжение, В
230
Сила тока, А
3.2
Уровень шума, dB(A)
80
Рабочая температура
-25...60°C
Максимальное давление, ПА
1150
Типоразмер
250 мм
Отзывы
Отзывов еще никто не оставлял
Ранее просмотренные товары